- DESCRIPTION
drivers capable of directly driving LED display equipment
- FEATURES
Ø Single chip P-channel ED MOS LSI
Ø LED direct drive using time division (duplex configuration)
Ø Wide operating power supply voltage range
Ø Supports changeover between 12-hour AM/PM displays
Ø Built-in battery backup CR oscillator
Ø Built-in automatic fast forward function for hour and minute settings
Ø Built-in snooze function supporting repeat use
Ø Uses 60Hz as standard frequency
Ø Built-in sleep timer function (maximum intervals for 59 minutes or
1 hour and 59 minutes)
Ø Equipped with power failure display function
Ø 900Hz output for alarm tone - APPLICATIONS
Ø Alarm clocks
Ø Clock-radios - BLOCK DIAGRAM

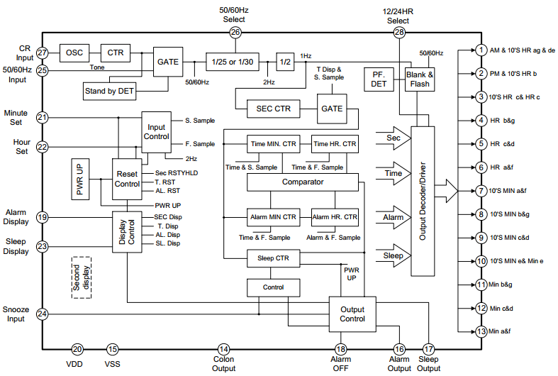
- PIN CONFIGURATIONS

